2通流量控制阀是带有集成压力补偿的流量阀(节流阀)。这些阀门可控制可调节的体积流量,不受入口或出口管线压力变化的影响。它们可以安装在消费者的入口或出口侧。由于孔口的设计,阀门 20 D 几乎不受流体粘度的影响。
描述:
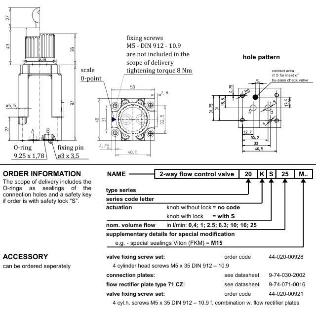
● 孔型符合 DIN 24 340 – G 6
● 7 标称体积流量范围高达 25 l/min
● 刻度旋钮控制,设定角度 300°
● 带旁通止回阀
● 控制旋钮可随意锁定 – VW 锁定 E 10
● 标准密封材料为 Buna N/NBR,其他材料也可
● 可安装在带管道连接的连接板上,
● 用于垂直堆叠或控制块的中间板元件
● 用于在两个流动方向上控制体积流量,体积流量整流器
● 可提供 71 型板
特点:
● 孔型符合 DIN 24 340 – G 6
● 7 标称体积流量范围高达 25 l/min
● 刻度旋钮控制,设定角度 300°
● 带旁通止回阀
● 控制旋钮可随意锁定 – VW 锁定 E 10
● 标准密封材料为 Buna N/NBR,其他材料也可
● 可安装在带管接头的连接板上,
● 用于垂直堆叠或控制块的中间板元件
● 用于两个流动方向的体积流量控制,体积流量整流器
● 可提供 71 型板
