双向流量控制阀是带有集成压力调节器的流量阀(节流阀)。该阀门可自动控制可调节的体积流量,不受供水或排水管线压力变化的影响,使其保持恒定。
它们可以安装在消费者的入口或出口侧。
描述:
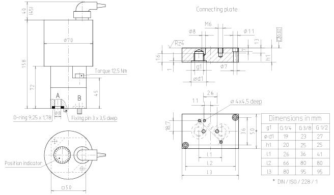
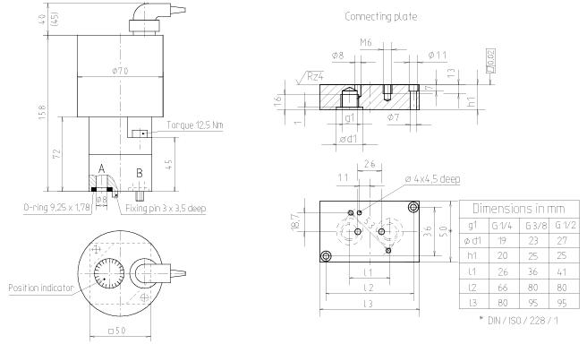
2 通流量控制阀
通过步进电机进行电动驱动
面板结构 NG 8
符合 Schiedrum 标准的孔型
7 个标称体积流量范围 1 l/min 至 16 l/min
最小可控体积流量约 10-20 厘米3/分钟
Pmax= 210 巴
特点:
•可远程控制、可编程
•模拟控制意味着:使用我们的控制单元通过模拟输入信号(0-10V;0-20mA)实现步进电机控制
•使用反馈电位计监控步进电机位置
•故障安全特性:如果电源发生故障,阀门将保持其最后位置
•无电气温度漂移
•最短启动时间:1.5 秒
•分辨率接近。 0.25%
•体积流量信号功能:线性
•7 个额定设定体积流量范围
•根据内部 Schiedrum 标准保持模式
•在带管接头或控制块的连接板上组装
•带旁通止回阀
•标准密封材料为 Buna N (NBR),其他材料也可
•对于两个流动方向的体积流量控制,可根据要求提供 71 型体积流量整流器中间板阀

