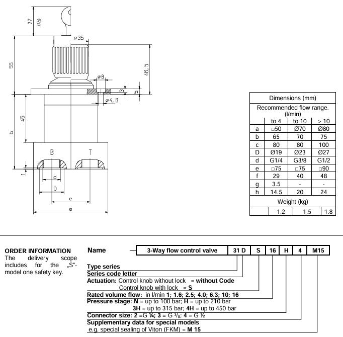
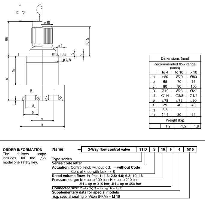
三通流量控制阀是并联连接时插入压力平衡器的流量控制阀。这些阀门可以自动调节可调节的流量,不受入口、工作或排水管路压力变化的影响。
描述:
三通节流阀
旋钮设置角度 150°
带法兰的前面板安装
管道连接
7 个标称体积流量范围 1 l/min 至 16 l/min
最小可控体积流量约 10 cm3/分钟
Pmax最高 450 bar
特点
• 通过管螺纹直接连接
• 前面板安装
• 7 个额定设置体积流量范围
• 刻度控制旋钮,设置角度 150°
• 标准密封材料 Buna N/NBR,其他材料也可以
