三通流量控制阀是内置压力补偿器并联的流量阀。无论入口、工作或出口管线的压力如何变化,阀门都会自动持续调节可调节的体积流量。
Schiedrum Hydraulik 流量控制阀描述:
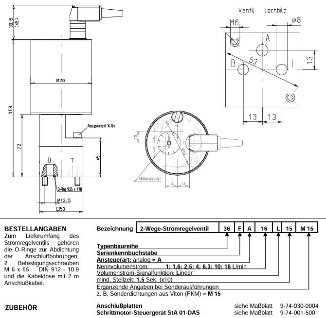
三通节流阀
通过步进电机进行电动驱动
面板结构 NG 8
符合 Schiedrum 标准的孔型
7 个标称体积流量范围 1 l/min 至 16 l/min
最小可控体积流量 约为标称体积流量的 1%
Pmax= 210 巴
Schiedrum Hydraulik 流量控制阀特征:
• 远程控制、可编程
• 模拟控制方式:我们的控制单元通过模拟输入信号(0-10 V;0-20 mA)控制步进电机
• 步进电机位置由反馈电位计监控
• 故障安全行为:发生电源故障时阀门保留其上次占据的位置
• 无电气温度漂移
• 最短操作时间为1.5 秒。
• 分辨率约0.25%
• 体积流量信号功能:线性
• 7 个标称设定体积流量范围
• 孔型符合 Schiedrum 标准
• 通过管道连接或控制块安装在连接板上
• 标准密封材料丁腈橡胶 (NBR),也可采用其他材料
