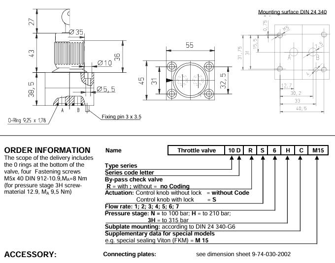
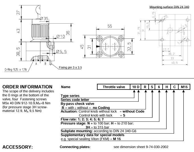
节流阀是液压阀,其体积流量取决于节流阀横截面积和压差。控制阀可通过节流孔进行调节,以尽可能确保设备的效率取决于粘度。
Schiedrum Hydraulik节流阀描述:
缩放旋钮,设置角度 150°
孔型符合 DIN 24 340-G6 标准
7 种孔径,最大 40 l/min
3 个公称压力范围,最高可达 315 bar
带或不带旁通止回阀
Schiedrum Hydraulik节流阀特点:
• 7 个节流孔尺寸可设置
• 刻度控制旋钮,设置角度 150°
• 安装表面符合 Schiedrum 内部标准
• 控制旋钮可随意锁定 - VW 锁定 E 10
• 带或不带旁通止回阀
• 安装在带有管道连接或控制块的连接板上
• 标准密封材料 Buna N/NBR,其他材料也可使用
