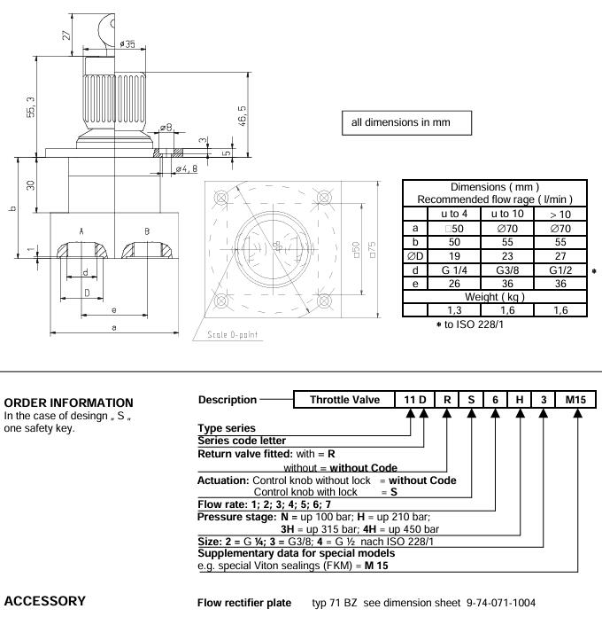
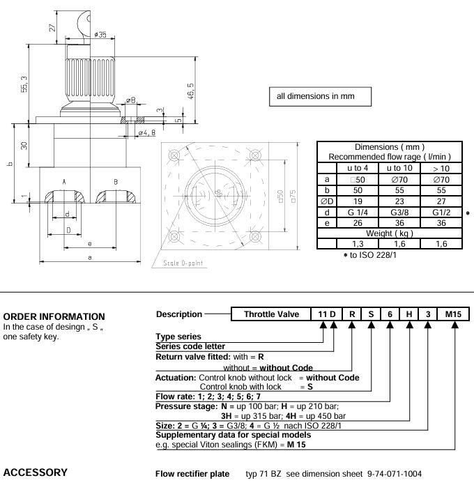
节流阀是一种液压阀,其体积流量取决于节流阀横截面积和压差。控制阀可通过节流孔进行调节,以尽可能确保设备的效率取决于粘度。
Schiedrum节流阀11 D描述:
节流阀
缩放旋钮,设置角度 150°
带法兰的前面板安装
管道连接
7 种孔径,最大 40 l/min
4 个公称压力范围,最高可达 450 bar
带或不带旁通止回阀
Schiedrum节流阀特点:
•7 种节流孔尺寸可设置
• 刻度控制旋钮,设置角度 1500
• 控制旋钮可随意锁定 - VW 锁定 E 10
• 管道连接:螺丝孔 - 符合 DIN 3852 T.2
• 带旁通回流阀
• 标准密封材料 Buna N/NBR,其他材料也可
