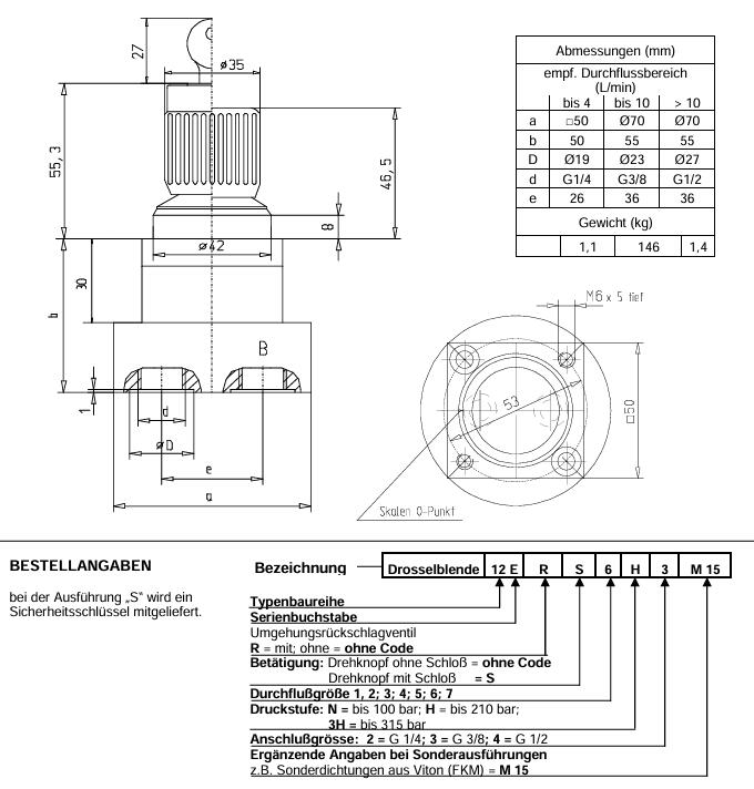
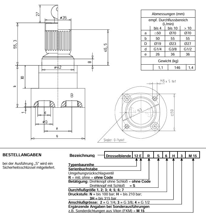
节流阀是流量阀,其体积流量取决于设定的节流截面和压差。调节节流阀的孔状设计确保其在很大程度上与粘度无关。
德国Schiedrum Hydraulik节流阀描述:
节流阀
缩放旋钮,设置角度 150°
前面板安装,无法兰
管道连接
7 种孔径,最大 40 l/min
3 个公称压力范围,最高可达 315 bar
带或不带旁通止回阀
德国Schiedrum Hydraulik节流阀特征:
• 7 种孔径尺寸可供选择
• 带刻度旋钮,调节角度150°
• 旋钮可选择锁定 - VW 锁定 E 10
• 带或不带旁通止回阀
• 管道连接;螺丝孔符合 DIN 3852
• 标准密封材料丁腈橡胶 (NBR),也可采用其他材料
