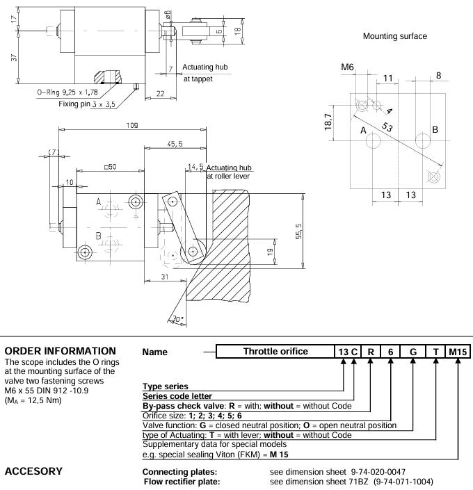
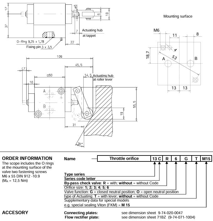
节流阀是流量阀,其中体积流量取决于节流阀横截面积和压差。控制阀可以通过孔口进行调节,以尽可能确保设备的粘度效率。
Schiedrum Hydraulik描述:
节流阀
带滚轮杆的滑枕驱动
符合 Schiedrum 标准的孔型
6 种孔径,最大 40 l/min
公称压力 210 bar
带或不带旁通止回阀
Schiedrum Hydraulik特点
• 6 个孔口尺寸可设置
• 阀门静态:关闭或打开
• 体积流量挺杆导轨:渐进式
• 安装在带有管接头或控制块的连接板上
• 带或不带旁通止回阀
• 标准密封材料为 Buna N (NBR),其他材料可用
• 对于两个流动方向的体积流量控制,可提供体积流量整流板
