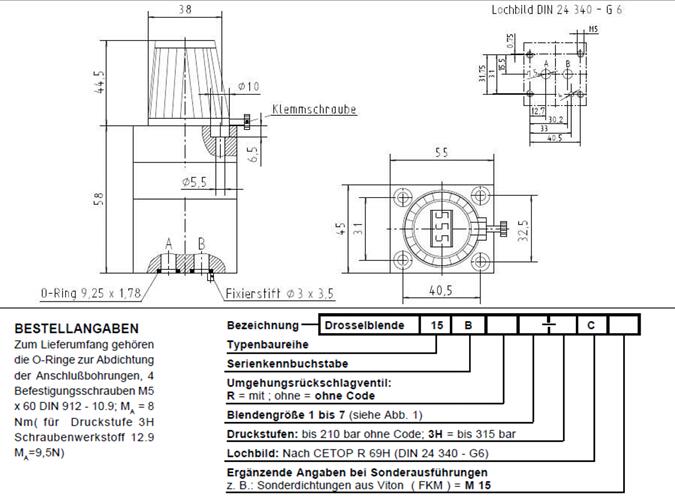
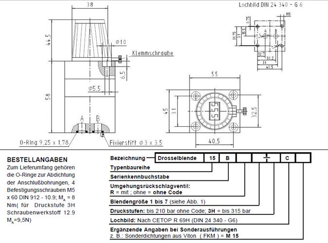
节流阀是流量阀,其体积流量取决于设定的节流截面和压差。调节节流阀的孔状设计确保其在很大程度上与粘度无关。
Schiedrum Hydraulik节流阀描述:
节流阀
通过数字旋钮进行精细驱动
设置角度 3600°(10 圈)
孔型符合 DIN 24 340-G6 标准
7 种孔径,最大 40 l/min
2 个公称压力范围,最高可达 315 bar
带或不带旁通止回阀
Schiedrum Hydraulik节流阀特征:
• 7 种孔径尺寸可供选择
• 带附加齿轮的精密数字旋钮,设定角度约 3600°(10 转)
• 安装在带有管道连接的连接板上,用于垂直连接的中间板元件或控制块
• 带或不带旁通止回阀
• 标准密封材料 Buna N/NBR,也可使用其他材料
