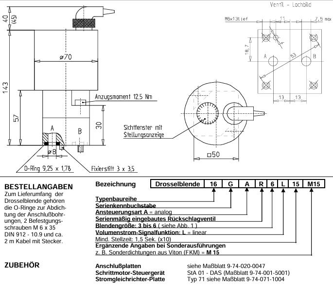
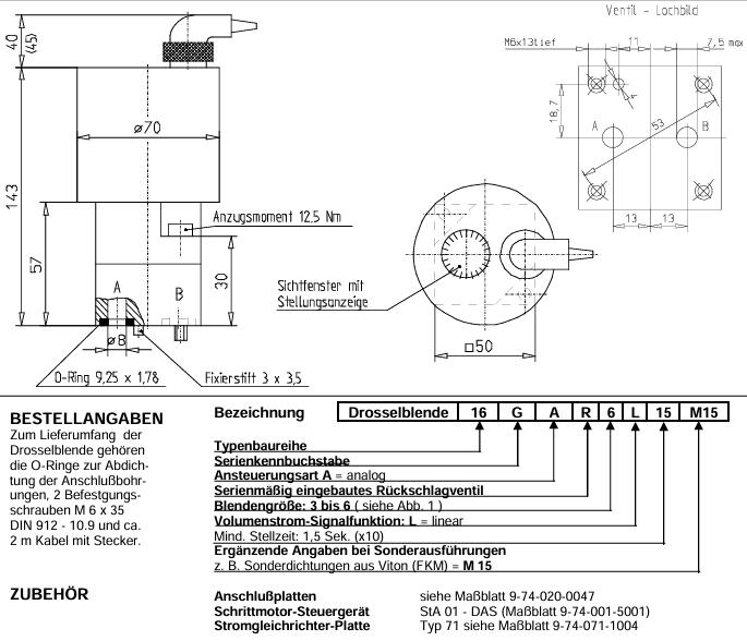
节流孔板是流量阀,其中体积流量基本上取决于设定的孔板横截面和穿过它的压差。
Schiedrum Hydraulik节流阀描述:
节流阀
通过步进电机进行电动驱动
符合 Schiedrum 标准的孔型
4 种孔径,最大 30 l/min
公称压力 210 bar
Schiedrum Hydraulik节流阀特征:
• 远程控制、可编程
• 模拟控制方式:我们的控制设备通过模拟输入信号(0-10 V;0-20 mA)控制步进电机
• 步进电机位置由反馈电位计监控
• 故障安全行为:在发生电源故障时阀门保留其最后占据的位置
• 无电气温度漂移
• 最短操作时间为1.5 秒。
• 分辨率约0.25%
• 体积流量信号功能:线性
• 4 种孔径尺寸可供选择
• 孔型符合 Schiedrum 标准
• 安装在带管道连接或控制块的连接板上
• 带环境止回阀
• 标准密封材料丁腈橡胶 (NBR),也可采用其他材料
• 71 型体积流量整流器中间板阀可用于两个流动方向的体积流量控制
